
VB振动电机
产品分类:产品中心
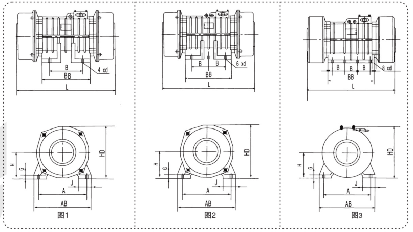
产品简介:VB振动电机采用一次性铸造完成,充分増加了刚性强度,采用消失模铸造,外观造型美观。用于料仓、料斗、溜槽的仓壁振动,自同步直线振动筛、振动给料机、振动输送机等各种振动机械的激振源,是冶金、矿山、煤炭、建材、化工等部门的理想...
全国热线:
0373-5427218 18638326196
产品详情
VB振动电机采用一次性铸造完成,充分増加了刚性强度,采用消失模铸造,外观造型美
观。用于料仓、料斗、溜槽的仓壁振动,自同步直线振动筛、振动给料机、振动输送机等各种振动机械的激振源,是冶金、矿山、煤炭、建材、化工等部门的理想设备,有广泛的应用范围。拆装更方便,维护更简单。